 
Standard D075
Einige der Gross Stabil Produkte werden seit mehr als 15 Jahren und teilweise auch darüber hinaus nahezu unverändert produziert. Zufriedene Kunden sind der beste Beweis für die Qualität.
Die bewährten Standardrollen aus hochwertigem Kunststoff.
Seit vielen Jahren sind diese klassischen Rollen bei unseren Kunden beliebt und werden auch heute noch eingesetzt.
Der klassische Radfeststeller stellt sicher, dass die Rolle und das Möbelstück nicht davon laufen.
Verkauf erfolgt nur an Gewerbekunden.
Technische Merkmale
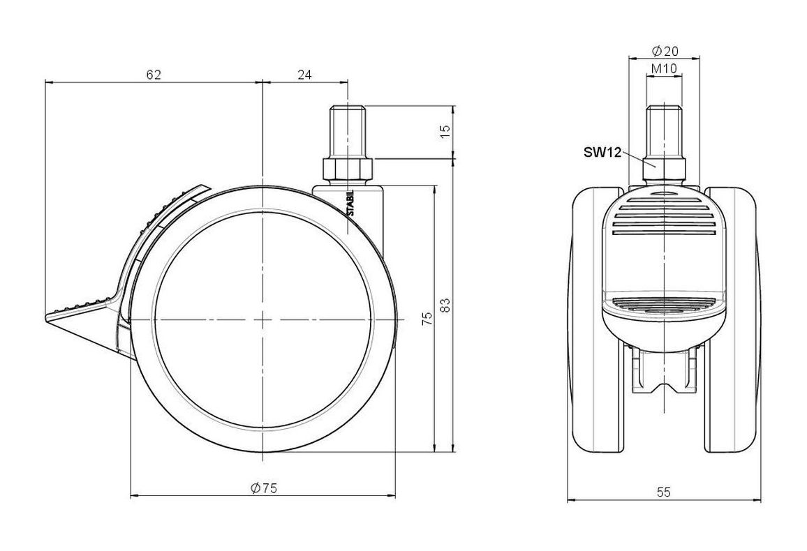
| Rollentyp | Möbelrolle | 
| Raddurchmesser | 75mm | 
| Tragfähigkeit | 75kg | 
| Einbauhöhe mit Befestigung | 83mm | 
| Räder: | |
| Radtyp | weiches Rad | 
| Radkern/Ummantelung | RAL 9006 weißaluminium / RAL 9005 tiefschwarz | 
| Gehäuse: | |
| Gehäuseform | ohne Dach, mit Hals | 
| Halsdurchmesser | 20mm | 
| Gehäusematerial | Hochwertiger Kunststoff | 
| Gehäusefarbe | RAL 9006 weißaluminium | 
| Mobilitätstyp | Rad-Feststeller | 
| Befestigungstyp und Abmessung | M10x15mm Gewindestift | 
| Bezeichnung | DUKF 75-675 X10 | 
Befestigungen
Kompatibel mit den folgenden Befestigungen:
No-Noise™ Stift:
Steckstifte:
Gewindestifte:
Anschraubplatten:
Standardmäßig sind unsere Befestigungen verzinkt. Auf Anfrage bieten wir auch Sonderausführungen oder Gewindestifte aus Edelstahl an.
 
 
 
 
 
 
 
 
 
 
 
 
 
 
 
 
 
 
 
 
 
 
 
 
 
 
 
 
 
 
 
 
 
 
 
 
 
 
 
 
 
 
